主要特点及用途:
QBY部分回转矿用隔爆型一体式
阀门电动装置 (以下简称电动装置),是新一代矿用阀门智能控制机构,自带智能控制单元,机电一体化机构设计,可实现矿用阀门的现场控制、集控、远控,无需另配专用控制箱。可配置Modbus、Profibus等总线通讯,带485总线接口,实现数据通讯。本系列电动装置对用户安装、调试、检修都十分方便,可大大节省安装费用,缩短安装周期,是针对煤矿使用条件和智能化发展而专门设计和制造的。QBY型电装适用阀板做90度回转的阀门,如蝶阀、风门等。
QBY 系列矿用隔爆型一体式阀门电动装置:

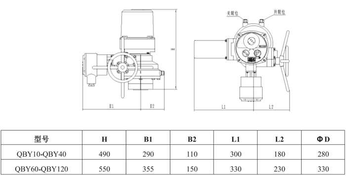
外形及外形尺寸表:

QB/QBY型号规格和主要性能参数:

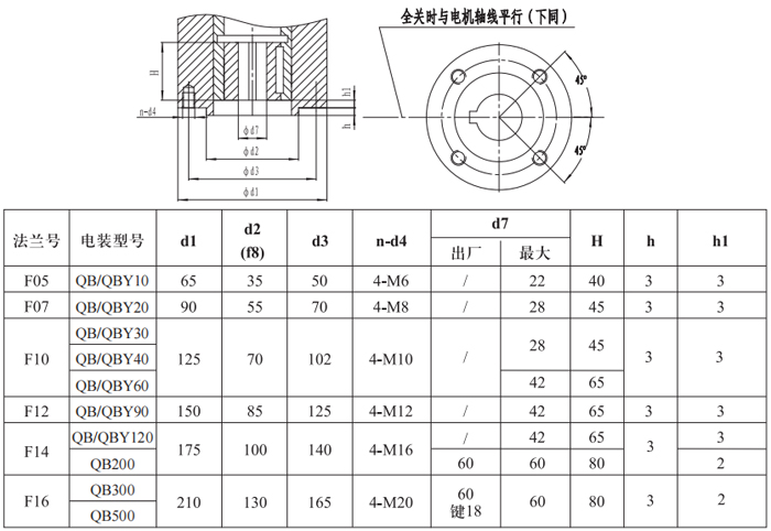
QB/QBY与阀门连接的结构示意图及尺寸:
